台湾真空压力草莓APP色版下载 脱泡机设备
咨询热线:15262626897
公司新闻 行业新闻 常见问题
底部填充胶(Underfill)中草莓污视频在线观看的去除方法

底部填充胶(Underfill)中草莓污视频在线观看的去除方法

  在许多底部填充胶(underfill)的应用中,包括从柔性基板上的芯片到大GA封装,底部填充胶(underfill)中出现草莓污视频在线观看和气隙是很普遍的问题。这种在底部填充胶(underfill)部位出现草莓污视频在线观看的后果与其封装设计和使用模式相关,典型的草莓污视频在线观看会导致可靠性的下降,本文将探讨减少草莓污视频在线观看问题的多种策略。  草莓污视频在线观看的起因  草莓污视频在线观看产生有一些潜在的根源,通过测试来了解草莓污视频在线观看及其产生根源有助于进一步来减少草莓污视频在线观看。产…

查看详情

手机电路板BGA底部填充胶underfill选择问题

手机电路板BGA底部填充胶underfill选择问题

  这是一位网友提出的问题:「早期时候很多的手机电路板都会使用BGA底部填充胶(underfill),最近发现大部分的手机电路板已经没有在使用填充胶了,填充胶使用究竟有没有必要,填与不填跟产品品质关係又如何关係?如何界定?  其实填充胶(underfill)最早的时候是设计给覆晶晶片(Flip Chip)使用以增强其信赖度用的,后来BGA开始流行,很多的CPU也开始使用起BGA封装,但碍于当时…

查看详情

电子灌封胶如何充分脱泡并顺利固化

电子灌封胶如何充分脱泡并顺利固化

  双组分电子灌封胶的使用范围较广,被应用在汽车、电子等领域。电子灌封胶如何脱泡?  01双组分电子灌封胶有什么特性?  优质的灌封胶,能够发挥优良的物理与化学性能,不会轻易导电更不会被腐蚀。适合在高低温环境中工作,抵抗老化延长使用时间。这种胶粘剂不会释放有毒物质,对环境几乎没有污染。专注电子灌封胶研究,还可提供定制化电子灌封胶应用解决方案,用途广泛,能应用于新能源、军工、医疗、航空、船舶、电子、…

查看详情

OCA光学胶脱泡三大要素及脱泡参数

OCA光学胶脱泡三大要素及脱泡参数

  TP与LCM贴合中间的OCA光学胶会残留一定程度的空气质量,所以OCA光学胶贴合后必须要用脱泡机脱泡。  OCA光学胶脱泡三大要素:  1温度:  增加胶的粘度,加速胶的流动性,增加滋润度。  2压力:  加速胶的流动,施压去除草莓污视频在线观看,增加滋润度。  3时间:  使胶持续流动,催化溶入现象去除草莓污视频在线观看  一:TP和LCM个体表面是不会完全平整,毫无公差,再加上TP上油墨段差,所以在油墨边缘,TP V…

查看详情

触摸屏草莓APP色版下载设备工作原理

触摸屏草莓APP色版下载设备工作原理

  草莓APP色版下载设备采用PLC进行动作顺序控制,温度、气压和操作时间等操作形式采用智能化程序控制,具有结构合理,自动化程度高,运行可靠安全,操作方便,生产率高等优点。主要适用在液晶模组生产线上,在偏光片与LCD玻璃,ITO膜与玻璃间工序完成后,触摸屏贴合有草莓污视频在线观看时,除去液晶板中内存草莓污视频在线观看的制成设备。  触摸屏草莓APP色版下载设备主要是将需要去除草莓污视频在线观看的产品消泡处理,把草莓污视频在线观看从空气中分离出来,真空除泡则是通过利用排除空气(…

查看详情

ELT压力烤箱脱泡机的优势特点

ELT压力烤箱脱泡机的优势特点

  台湾ELT压力烤箱脱泡机,采用真空+压力+高温物理除泡工艺,无尘洁净真空环境,含氧量自动控制,快速升温,快速降温,挥发气体过滤更环保,10寸工业型电脑,烘烤废气内循环收集,气冷式安全设计,高洁净选配,真空/压力/温度&时间弹性式设定。广泛应用于灌胶封装,印刷,压膜等半导体电子新能源电池等诸多领域。  1.脱泡彻底  ELT压力烤箱利用热风循环高压空气,可有效防止内腔产生冷气团,保证消泡…

查看详情

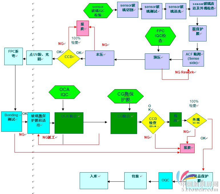
触摸屏真空贴合工艺流程

触摸屏真空贴合工艺流程

  触摸屏真空贴合工艺流程:目前触摸屏的OCA真空贴合已经成为主流,如何控制工艺流程以及处理贴合中产生的草莓污视频在线观看?  一. 工艺流程:  (一).OCA贴合流程    (二)OCR贴合流程    二. 主要设备及作业方式:  (一).切割、裂片:    主要工艺过程:  1. 将大块sensor玻璃切割成小 panel 的制程 ,有镭射切割和刀轮切割两种方式,目前一般采用刀轮切割即可。  2. 有厂家…

查看详情

什么是OCA光学胶贴合?OCA光学胶的应用领域

什么是OCA光学胶贴合?OCA光学胶的应用领域

  OCA光学胶常用于屏幕贴合,按照厚度不同可应用于不同的领域,其主要用途为:电子纸、透明器件粘结、投影屏组装、航空航天或军事光学器件组装、显示器组装、镜头组装、电阻式触摸屏G+F+F、F+F、电容式触摸屏、面板、ICON及玻璃以及聚碳酸脂等塑料材料的贴合用于胶结透明光学元件(如镜头等)的特种胶粘剂。要求具有无色透明、光透过率在90%以上、胶结强度良好,可在室温或中温下固化,且有固化收缩小等特点。…

查看详情

OCA压力脱泡机的必要性及选择标准

OCA压力脱泡机的必要性及选择标准

  脱泡机是草莓APP色版下载在运用OCA真空贴合机时配套运用的设备,脱泡机的作用就是用来将OCA贴合机所压出来的屏假设有草莓污视频在线观看的话就放在脱泡机里面进行脱泡处理。  正常情况下在IC封装、OCA屏幕贴合、PCB灌封中都需要用到脱泡机这个设备的,就算现在的OCA贴合机技能再好,可是毕竟多多少少都仍是需求用到的。为什么呢?因为现在市场上所出产的OCA贴合机就算使用草莓视频黄版在线观看ELT草莓黄色片也无法彻底避免草莓污视频在线观看,毕竟运用OCA…

查看详情

共26 页 页次:21/26 页首页上一页16171819202122232425下一页尾页 转到
联系草莓APP色版下载
CONTACT US
生产基地:台湾新竹县新埔镇褒忠路152巷5之1号
手机:15262626897 联系人:王经理
邮箱:sales@yosoar.com
版权所有:昆山草莓视频黄版在线观看新材料有限公司  © 2021 备案号:苏ICP备10952090号-18 网站地图 XML
网站地图